ZJY系列轴装式减速机
更新时间:2024/05/13
ZJY系列轴装式减速机

 ZJY型轴装式减速器,按JB/T7337-1994标准制造,空心输出轴直悬挂在被驱动主机输入轴端使用,采用胀圈联接和键联接两种型式。
产品特点:
 ZJY型轴装式减速器齿轮采用优质合金钢,经淬火磨齿,齿轮精度高,硬度高;重量轻,无需安装底座,布置灵活,维护方便,可配置单向逆止装置.
产品使用范围及注意事项:
   1、ZJ型轴装式减速器用于输送机和斗式提升机,以及其它悬挂安装的通用机械的传动;
   2、环境温度一20℃- +40℃,输入转速不超过1500r/min;
   3、使用前请加润滑油。一般为L-cKc10、L-cKc220Z中极压工业齿轮油,油面应至安装位螺塞处。
选用说明:
  1、输出轴旋转方向:“S”顺时针,“N”逆时针;“L”左右旋转(不标注);
  2、输入轴型式:“I”右装,“II”左装;
  3、胀圈输出轴压盖型式:“T”通盖,“M”闷盖.
  ZJY轴装式减速器型号:
ZJY106、ZJY125、ZJY150、ZJY180、ZJY212、ZJY250、ZJY300;
型号标示如下:
861badfe53e355b1450cb5c2e8d606b8_2016051808573590233.gif
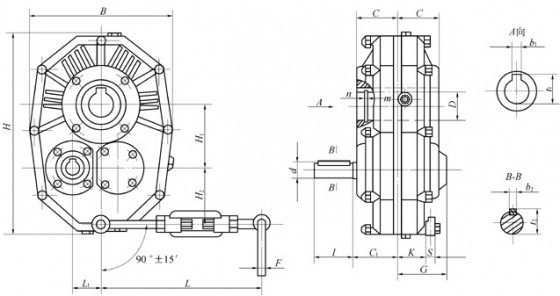
Zjy轴装式减速速机主要安装尺寸如下:
bd911682ffaebf5d96d0013c2609e299_2016051808574681452.jpg

 

 

型号Ddlb1b2t1t2BHH1H2
ZJY7535164010638.318.218726072.870
ZJY9038194010641.321.7212287.286.774.5
ZJY10645245014848.827.2240325.6101.679.4
ZJY12555286016859.331.2270379.3120.3100
ZJY150603880181064.441.3330446145110
ZJY1807042110201274.945.3396530.3174.3131
ZJY2128548110221490.451.8477624.7204.7157
ZJY25010055110
16106.459.3560727.6240.6188
ZJY300120651403218127.469.4660839288.6210



 

 

型号CC1FGLL1KSmn质量m/kg
ZJY7551531251280~3803530141.7614
ZJY9059611258280~3803935141.7621
ZJY10667691276280~38044.644141.7627
ZJY12576781686410~5405352172.2640
ZJY150858616101410~5406557172.2867
ZJY18010010222116580~7108067242.78110
ZJY21212012122132580~7109584242.78170
ZJY25013713828150580~75011296302.711250
ZJY30016416628168580~750130111303.211380



ZJY型减速器的齿轮传动中心距见下表
 

 

低速级a27590106125150180212250300
高速级a153637590106125150180212
上一页:已经为第一条
下一页:已经为最后一条